SPECIFIKO
| Produkta Nomo | Fadenflanĝo |
| Grandeco | 1/2"-24" |
| Premo | 150#-2500#, PN0.6-PN400, 5K-40K |
| Normo | ANSI B16.5, EN1092-1, JIS B2220 ktp. |
| Surfadenigita tipo | NPT, BSP |
| Materialo | Neoksidebla ŝtalo:A182F304/304L, A182 F316/316L, A182F321, A182F310S, A182F347H, A182F316Ti, 317/317L, 904L, 1.4301, 1.4307, 1.4401, 1.4571, 1.4541, 254Mo kaj ktp. |
| Karbona ŝtalo:A105, A350LF2, S235Jr, S275Jr, St37, St45.8, A42CP, A48CP, E24, A515 Gr60, A515 Gr 70 ktp. | |
| Dupleksa neoksidebla ŝtalo:UNS31803, SAF2205, UNS32205, UNS31500, UNS32750, UNS32760, 1.4462, 1.4410, 1.4501 kaj ktp. | |
| Duktoŝtalo:A694 F42, A694F52, A694 F60, A694 F65, A694 F70, A694 F80 ktp. | |
| Nikela alojo:inconel600, inconel625, inconel690, incoloy800, incoloy 825, incoloy 800H, C22, C-276, Monel400, Alloy20 ktp. | |
| Cr-Mo-alojo:A182F11, A182F5, A182F22, A182F91, A182F9, 16mo3, 15Crmo, ktp. | |
| Apliko | Petrolkemia industrio; aviada kaj aerspaca industrio; farmacia industrio; gasaj ellasiloj; elektrocentralo; ŝipkonstruado; akvopurigado, ktp. |
| Avantaĝoj | preta stoko, pli rapida livertempo; havebla en ĉiuj grandecoj, personigita; alta kvalito |
DIMENSIO-NORMOJ

PRODUKTAJ DETALOJ MONTROS
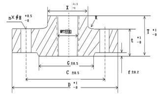
1. Vizaĝo
Povas esti levita vizaĝo (RF), plena vizaĝo (FF), ringa junto (RTJ), kanelo, lango aŭ personigita.
2. Fadeno
NPT aŭ BSP
3.CNC fajne finita
Finpoluro de la surfaco: La finpoluro sur la surfaco de la flanĝo estas mezurata kiel Aritmetika Meza Malglata Alteco (AARH). La finpoluro estas determinita de la uzata normo. Ekzemple, ANSI B16.5 specifas finpolurojn de la surfaco ene de intervalo 125AARH-500AARH (3.2Ra ĝis 12.5Ra). Aliaj finpoluroj estas haveblaj laŭpete, ekzemple 1.6 Ra maks, 1.6/3.2 Ra, 3.2/6.3Ra aŭ 6.3/12.5Ra. La intervalo 3.2/6.3Ra estas la plej ofta.
MARKADO KAJ PAKADO
• Ĉiu tavolo uzas plastan filmon por protekti la surfacon
• Ĉiuj rustorezistaj ŝtaloj estas pakitaj per lamenlignaj kestoj. Por pli grandaj grandecoj, karbonaj flanĝoj estas pakitaj per lamenlignaj paledoj. Aŭ eblas laŭmenda pakado.
• Sendomarko povas esti farita laŭpete
• Markoj sur produktoj povas esti ĉizitaj aŭ presitaj. OEM estas akceptita.
INSPEKTO
• UT-testo
• PT-testo
• MT-testo
• Dimensio-testo
Antaŭ la livero, nia kvalitkontrola teamo aranĝos NDT-teston kaj dimensio-inspektadon.Ankaŭ akceptu TPI-on (triapartan inspektadon).
PRODUKTADA PROCESO
| 1. Elektu originalan krudmaterialon | 2. Tranĉi krudan materialon | 3. Antaŭhejtado |
| 4. Forĝado | 5. Varmotraktado | 6. Malglata Maŝinado |
| 7. Borado | 8. Fajna maŝinado | 9. Markado |
| 10. Inspektado | 11. Pakado | 12. Liverado |
KUNLABORKAZA KAZO
Ĉi tiu projekto estas por Brazilo. Iuj aĵoj bezonas kontraŭrustan oleon kaj iuj bezonas galvanizitan tegaĵon.





Oftaj Demandoj
1. Kio estas neoksidebla ŝtalo 304?
Neoksidebla ŝtalo 304 estas ofte uzata aŭstenita neoksidebla ŝtalo kun bonega korodrezisto, alta forto kaj bona formeblo. Ĝi estas vaste uzata en diversaj industrioj pro sia versatileco kaj daŭreco.
2. Kio estas neoksidebla ŝtalo 304L?
Neoksidebla ŝtalo 304L estas malaltkarbona variaĵo de neoksidebla ŝtalo 304. Ĝi ofertas plibonigitan veldeblecon konservante similan korodreziston kaj mekanikajn ecojn. Ĉi tiu grado estas tipe uzata en aplikoj postulantaj veldadon.
3. Kio estas neoksidebla ŝtalo 316?
Neoksidebla ŝtalo 316 estas aŭstenita neoksidebla ŝtala alojo, kiu enhavas molibdenon por plibonigi sian korodreziston en maraj kaj kloridaj medioj. Ĝi havas bonegan forton kaj altan rampan reziston, igante ĝin taŭga por diversaj postulemaj aplikoj.
4. Kio estas neoksidebla ŝtalo 316L?
Neoksidebla ŝtalo 316L estas malaltkarbona variaĵo de neoksidebla ŝtalo 316. Ĝi havas plibonigitan lutaĵeblecon kaj reziston al intergrajna korodo. Ĉi tiu grado estas ofte uzata en aplikoj postulantaj altan korodreziston kaj bonegan formeblon.
5. Kio estas forĝitaj ŝraŭbitaj tubkonektiloj?
Forĝitaj ŝraŭbitaj tubkonektiloj estas tubkonektiloj faritaj per formado de varmigita metalo kaj uzado de mekanika forto por deformi ĝin en la deziratan formon. Ĉi tiuj konektiloj havas ŝraŭbojn sur la ekstera surfaco kaj povas esti facile konektitaj al ŝraŭbitaj tuboj por sekura, senlika konekto.
6. Kio estas flanĝo?
Flanĝo estas ekstera aŭ interna rando uzata por plifortigi aŭ konekti tubojn, valvojn aŭ aliajn komponantojn en tubaro. Ili provizas facilan manieron por kunmeti, malmunti kaj prizorgi la sistemon. Flanĝoj el neoksidebla ŝtalo havas bonegan korodreziston kaj povas elteni altajn temperaturojn.
7. Kiuj estas la ASTM-normoj por forĝitaj ŝraŭbitaj armaturoj kaj flanĝoj?
ASTM-normoj estas internacie agnoskitaj normoj evoluigitaj de la Usona Societo por Testado kaj Materialoj. Ĉi tiuj normoj certigas, ke forĝitaj ŝraŭbitaj armaturoj kaj flanĝoj plenumas specifajn postulojn pri materiala konsisto, dimensioj, mekanikaj ecoj kaj testaj proceduroj.
8. Kiuj estas la avantaĝoj de uzado de forĝitaj ŝraŭbenditaj tubkonektiloj kaj flanĝoj el neoksidebla ŝtalo?
Forĝitaj surfadenitaj tubkonektiloj kaj flanĝoj el neoksidebla ŝtalo ofertas diversajn avantaĝojn, inkluzive de bonega korodrezisto, alta forto, daŭreco kaj versatileco. Ili povas elteni ekstremajn temperaturojn, premojn kaj severajn mediojn, kio igas ilin taŭgaj por vasta gamo da aplikoj.
9. En kiuj kampoj oni ofte uzas forĝitajn ŝraŭbitajn tubajn konektilojn kaj flanĝojn el neoksidebla ŝtalo?
Ĉi tiuj armaturoj kaj flanĝoj estas vaste uzataj en industrioj kiel nafto kaj gaso, petrolkemiaĵoj, kemiaĵoj, elektroproduktado, farmaciaj, pulpo kaj papero, nutraĵprilaborado kaj akvopurigado. Ili estas ofte uzataj en tubsistemoj, duktoj, rafinejoj kaj aliaj aplikoj kie sekuraj konektoj kaj fidinda funkciado estas necesaj.
10. Kiel elekti taŭgajn forĝitajn ŝraŭbitajn tubajn konektilojn kaj flanĝojn el neoksidebla ŝtalo?
Por elekti la ĝustajn armaturojn kaj flanĝojn, konsideru faktorojn kiel aplikaĵajn postulojn, funkciajn kondiĉojn (temperaturo, premo kaj korodaj medioj), tubgrandecon kaj kongruecon kun la transportata fluido. Estas rekomendinde konsulti spertan provizanton aŭ inĝenieron por gvido pri elektado de armaturoj kaj flanĝoj, kiuj konvenas al viaj specifaj bezonoj.
Produktaj detaloj montras
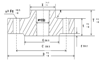
1. Vizaĝo
Povas esti levita vizaĝo (RF), plena vizaĝo (FF), ringa junto (RTJ), kanelo, lango aŭ personigita.
2. Fadeno
NPT aŭ BSP
3.CNC fajne finita
Finpoluro de la surfaco: La finpoluro sur la surfaco de la flanĝo estas mezurata kiel Aritmetika Meza Malglata Alteco (AARH). La finpoluro estas determinita de la uzata normo. Ekzemple, ANSI B16.5 specifas finpolurojn de la surfaco ene de intervalo 125AARH-500AARH (3.2Ra ĝis 12.5Ra). Aliaj finpoluroj estas haveblaj laŭpete, ekzemple 1.6 Ra maks, 1.6/3.2 Ra, 3.2/6.3Ra aŭ 6.3/12.5Ra. La intervalo 3.2/6.3Ra estas la plej ofta.
Markado kaj pakado
• Ĉiu tavolo uzas plastan filmon por protekti la surfacon
• Ĉiuj rustorezistaj ŝtaloj estas pakitaj per lamenlignaj kestoj. Por pli grandaj grandecoj, karbonaj flanĝoj estas pakitaj per lamenlignaj paledoj. Aŭ eblas laŭmenda pakado.
• Sendomarko povas esti farita laŭpete
• Markoj sur produktoj povas esti ĉizitaj aŭ presitaj. OEM estas akceptita.
Inspektado
• UT-testo
• PT-testo
• MT-testo
• Dimensio-testo
Antaŭ la livero, nia teamo de kvalitkontrolo aranĝos NDT-teston kaj dimensio-inspektadon. Ni ankaŭ akceptas TPI-on (triapartan inspektadon).
Produktada procezo
| 1. Elektu originalan krudmaterialon | 2. Tranĉi krudan materialon | 3. Antaŭhejtado |
| 4. Forĝado | 5. Varmotraktado | 6. Malglata Maŝinado |
| 7. Borado | 8. Fajna maŝinado | 9. Markado |
| 10. Inspektado | 11. Pakado | 12. Liverado |
Kunlabora kazo
Ĉi tiu projekto estas por Brazilo. Iuj aĵoj bezonas kontraŭrustan oleon kaj iuj bezonas galvanizitan tegaĵon.
Tubkonektiloj estas esencaj komponantoj en la tubarosistemo, uzataj por konekto, redirektado, deturno, grandecŝanĝo, sigelado aŭ kontrolado de la fluo de fluidoj. Ili estas vaste aplikataj en kampoj kiel konstruado, industrio, energio kaj municipaj servoj.
Ŝlosilaj Funkcioj:Ĝi povas plenumi funkciojn kiel konekti tubojn, ŝanĝi fluodirekton, dividi kaj kunfandi fluojn, alĝustigi tubdiametrojn, sigeladi tubojn, kontroli kaj reguli.
Aplika Amplekso:
- Akvoprovizado kaj drenado de konstruaĵoj:PVC-kubutoj kaj PPR-trios estas uzataj por akvotubaraj retoj.
- Industriaj duktoj:Flanĝoj el neoksidebla ŝtalo kaj kubutoj el alojoŝtalo estas uzataj por transporti kemiajn materialojn.
- Energiotransporto:Altpremaj ŝtalaj tubaj konektiloj estas uzataj en nafto- kaj gasduktoj.
- HVAC (Hejtado, Ventolado kaj Klimatizilo):Kupraj tubkonektiloj estas uzataj por konekti fridigaĵajn duktojn, kaj flekseblaj juntoj estas uzataj por vibradredukto.
- Agrikultura irigacio:Rapidaj konektiloj faciligas la muntadon kaj malmuntadon de ŝprucigaj irigaciaj sistemoj.
-
Din dn800 flanĝo en10921 pn40 pn6 karbonŝtalo ...
-
Personigita LWN-flanĝo Norma Karbona Ŝtalo Sta...
-
Personigita Flanĝo ANSI/ASME/JIS Norma Karbona ...
-
ANSI B16.5 Forĝita Neoksidebla Ŝtalo Ingo Veldi F...
-
WN ANSI B16.36 orifico veldkolo flanĝo kun ja ...
-
Longa Velda Kolo Flanĝo Norma Premo LWN Por...












